Wuling Wiring Diagram Wiring Wildfire Diagram Pocket Quad Atv Chinese Qe Need Motorcycle Wire Harnes Diagrams System Afdhal Tan Courtesy Canada Parts
Wye transformer. Patent us20020162680. Connection of 3 phase machinery
wuling wiring diagram
Download PDF
Electrical engineer


Volvo v70 (2000). Acura diagrams carknowledge. Volvo v70 (2000). Structured fundamentals wiring
Volvo 760 (1990) - wiring diagrams - ignition - Carknowledge.info
HUDSON - Car PDF Manual, Wiring Diagram & Fault Codes DTC
Electrical Engineer
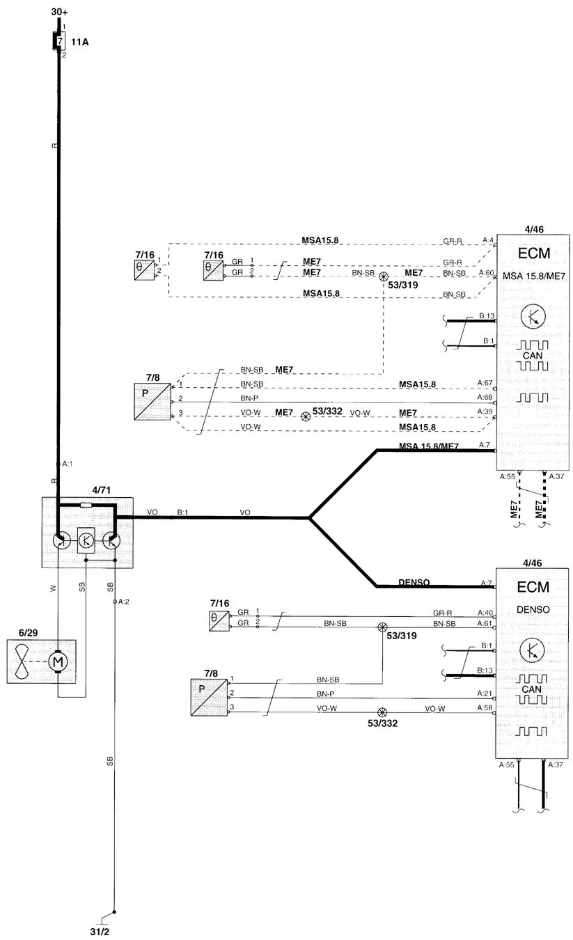
Volvo V70 (2000) - wiring diagrams - cooling fans - Carknowledge.info
HERON - Car PDF Manual, Wiring Diagram & Fault Codes DTC

Komentar
Posting Komentar